液压系统集成,农业设备液压系统,润滑系统,保定优佰协力

EHP-HC液压马达驱动风冷却器

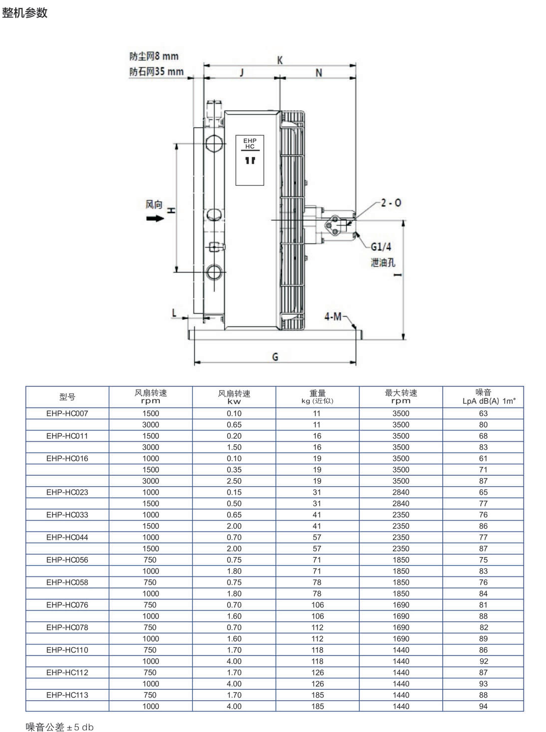
EHP-HC散热器,主要应用于移动机械、泵车、汽车起重机、旋挖钻机、铁路机械、矿用移动设备及液压系统中。铝制散热器在ETD温差40qC时的最大散热功率达到160KW。 ​正确和经济的选择目前系统最需要的散热器,可以通过我们的软件进行计算,或通过我们专业的工程师帮助您进行选择。
  • 产品描述
  • 技术参数
  • 外形尺寸
  • 资料下载

液压马达驱动的散热器动态最高工作压力为14Bar,静态最大压力为21Bar,该散热器采用由高性能的双向齿轮液压马达驱动,可以进行长时间不问断的工作。

液压马达排量:8.4CC/rev、10.8CC/rev、14.4CC/rev、16.8CC/rev、19.2CC/rev、25.2CC/rev

特殊环境的应用请和我们联系。


手机官网

关注我们